ICM-42688-P LGA-14(2.5x3) 姿态传感器/陀螺仪
ICM-42688-P是一款6轴MEMS运动跟踪设备,集成了3轴陀螺仪和3轴加速度计。它具有可配置的主机接口,支持I3CSM、I2C和SPI串行通信,具有2kb FIFO和2个可编程中断,具有超低功耗唤醒运动支持,以最小化系统功耗。
ICM-42688-P支持高精度外部时钟输入,有助于降低系统级灵敏度误差,改善来自陀螺仪数据的方向测量,降低 ODR 对温度和设备间差异的敏感性。
该设备在FIFO中支持业界首个20位数据格式,以实现高数据分辨率。该FIFO格式封装了19位陀螺仪数据和18位加速度计数据。
其他行业领先的功能包括用于手势识别、活动分类和计步器的InvenSense芯片APEX运动处理引擎,以及可编程数字滤波器和嵌入式温度传感器。
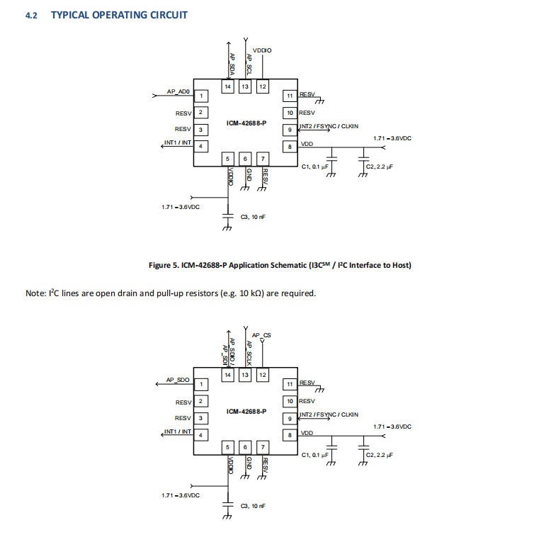
该设备支持1.71V至3.6V的 VDD 工作范围,以及1.71V至3.6V的独立数字IO电源 VDDIO 。
低噪声模式6轴电流
消耗电流为0.88毫安
• 用户可选陀螺仪满量程范围(dps):
± 15.6/31.2/62.5/125/250/500/1000/2000
• 用户可选择的加速度计满量程
范围(g):±2/4/8/16
• 陀螺仪用户可编程数字滤波器,
加速度传感器和温度传感器
• APEX运动功能:
计步器、倾斜检测、轻击检测
o 运动唤醒,抬手唤醒/休眠,
显著运动检测
• 主机接口:12.5 MHz I3CSM,1 MHz I2C,
24 MHz SPI
应用
• AR/VR控制器
• 头戴式显示器
• 可穿戴设备
• 体育
• 机器人技术
• 物联网应用

