跳至内容
首页
关于我们
主营产品
技术与资源
联系我们
EN
搜索
Search for:
0
Main Menu
首页
关于我们
主营产品
技术与资源
联系我们
EN
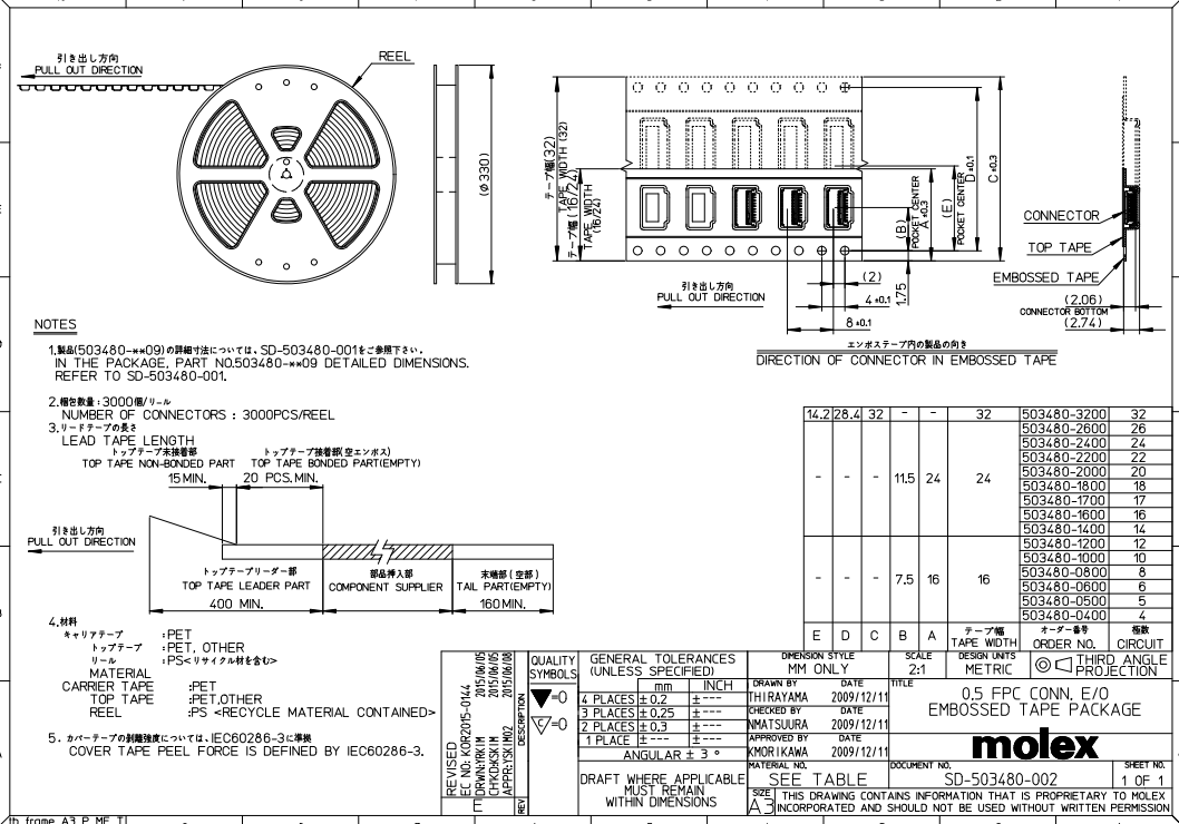
5034800800 SMD,P=0.5mm FFC/FPC连接器 MOLEX 价格最优惠
技术相关
/ 2022/6/4 14:38:35
文章导航
←
前一篇文章
后一篇文章
→
Shopping Cart
smtp.qq.com々587々3086582557@qq.com々hnwsthyeydsydgdc々vincent.zhou@nb-xing.com
技术支持:
深圳市星时代信息科技有限公司