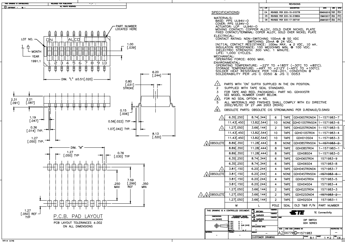
Specification information:
Data list: 1571983 drawing switches core program catalog
Featured product: te connectivity switches
3D model: 1571983-4 pdf
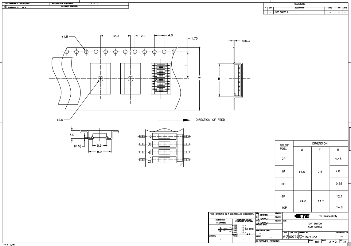
Standard packing: 70
Category: switch
Home: dip switch
Series: GDH
Packaging: fittings
Circuit: SPST
Number of pins: 4
Rated current: 25mA
Rated voltage: 24VDC
Actuator type: sliding (standard)
Actuator level: flush, recessed
Contact material: copper alloy
Contact coating: Gold
Height on board: 0.091 "(2.30mm)
Installation type: Surface Mount
Terminal type: gull airfoil
Spacing: 0.050 "(1.27mm), half
Washable: Yes
Characteristics: tape sealing
Base material: polyphenylene sulfide (PPS)
Length: 0.244 "(6.20mm)
Operating temperature: - 30 ° C ~ 85 ° C
Mechanical life: 1000 cycles
Electrical life: 1000 cycles
Other name: 450-1353gdh04s04


