Specification information:
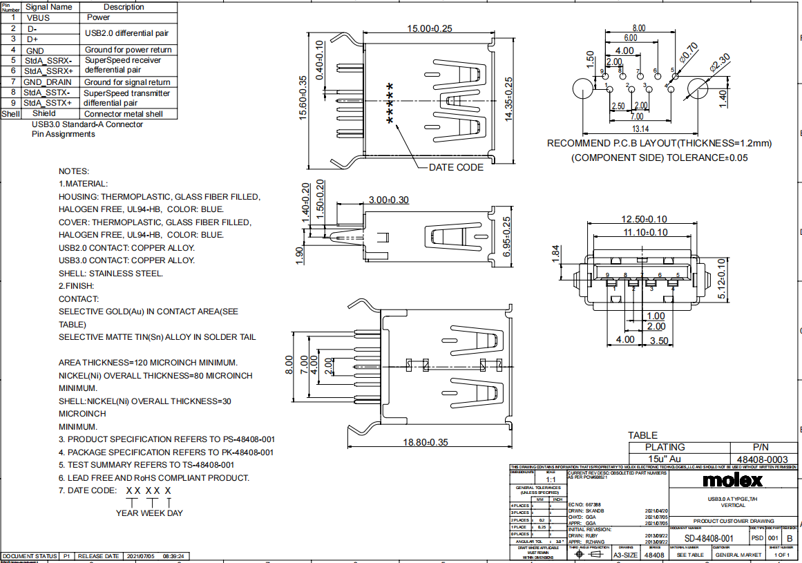
Contact points: 9
Number of circuits: 9
Polarity: Female
Contact material: Copper Alloy
Direction: Vertical
Contact plating: Gold
Halogen-free state: Low Halogen
Installation method: Through Hole, Vertical
REACH SVHC Standard: No SVHC
Lead standard: Lead Free
RoHS standard: Compliant
Product life cycle: Active

