L9966cb-tr adc/dac- best spot price for dedicated controller and driver agents

Description
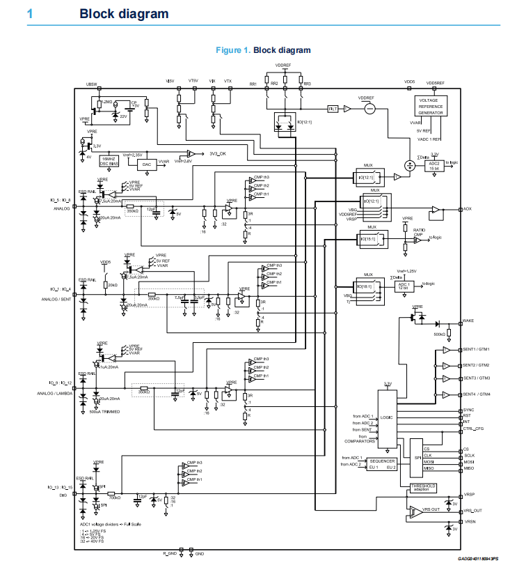
The L9966 is an automotive grade IC designed to be used as sensors interface. Up
to 15 channels are available for analog sensing, resistance measurement and digital
sensing (e.g. temperature, lambda, pressure, position sensors).
The L9966 allows replacing a number of discrete components and it gives the
possibility to change the sensors across different applications without modifying the
PCB hardware.

Target applications are Engine Control Units and Body/Chassis Modules.

Features
• AEC-Q100 qualified
• 12 V and 24 V systems compatible (operating battery supply voltage 5.5 V-36 V)
• Programmable interface with 15 total inputs:
– 12 for connection to external analog loads (with connection to VVAR, VDD5
and clamped battery VPRE, with resistance measurement)
◦ 4 with also λ sensor functionality
◦ 4 with also SENT functionality
– 3 for connection to external digital switches (with connection to VPRE)
• Programmable pull-up/down current sources
• Integrated precise resistance measurements
• 12 bit ADC for voltage measurements
• 15 bit ADC for resistance measurements
• Variable reluctance sensor / Hall sensor Interface
• 1 analog output channel + 4 digital output channels
• SPI interface for device configuration and data communication
• Overtemperature protection

• Thermal resistance Rth(j-c) = 3 K/W


Shopping Cart
smtp.qq.com々587々3086582557@qq.com々hnwsthyeydsydgdc々vincent.zhou@nb-xing.com 技术支持: 深圳市星时代信息科技有限公司