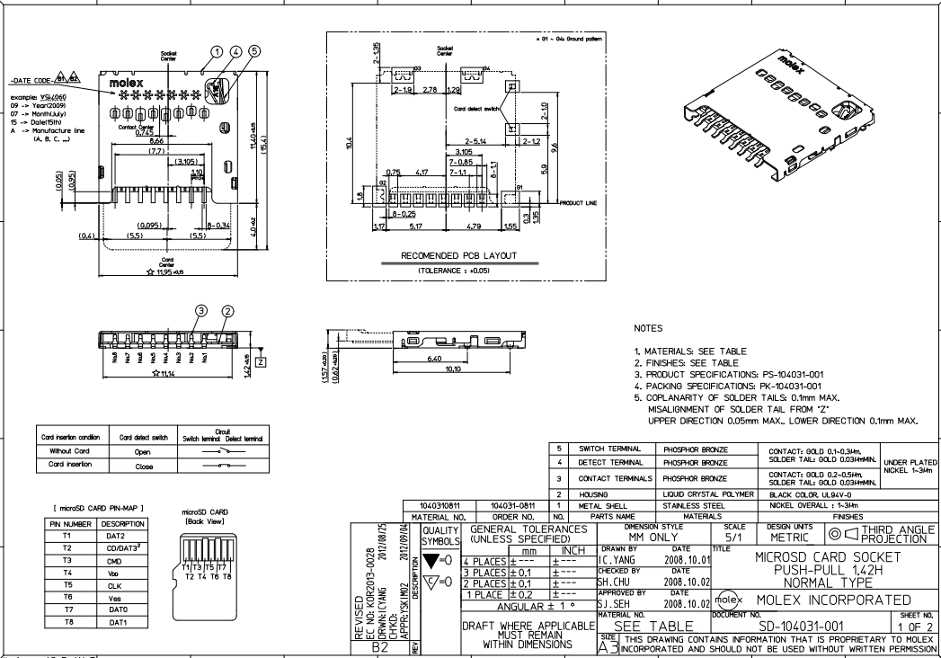
Specification information:
3D model: 104031-0811. STP
Standard Packaging: 2,000
Category: Connectors, Interconnect Devices
Home: Memory connector - PC card
Series: 104031
Packaging: with roll (TR)
Card type: Safe digital - microSD?
Number of pins: 10 (8 + 2)
Connector type: Connector
Insert, remove method: push, pull
Ejector end: -
Installation type: Surface mount, Right Angle
Features: -
Plate height: 0.056 "(1.42mm)
Installation Features: Normal, Standard-Top
Contact coating: gold
Contact coating thickness: 8in (0.20m)
Other names: 104031-08111040310811-NDWM6357-2WM6357-2-NDWM6357TR


